Réservé aux ascensoristes

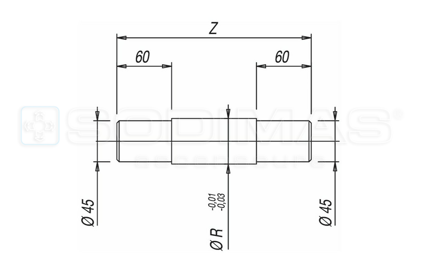
Palier renforcé sans réhausse roulement Ø 45 SN510 FF340

Réf : 30SO992P00005

Visuels non contractuels

Visuels non contractuels

Marques : SODIMAS
Référence : 30SO992P00005

Détail produit

  • Dimensions colisage (HxLxP) : 12 x 10 x 21 cm

Nos clients ont également acheté :

Articles consultés récemment :